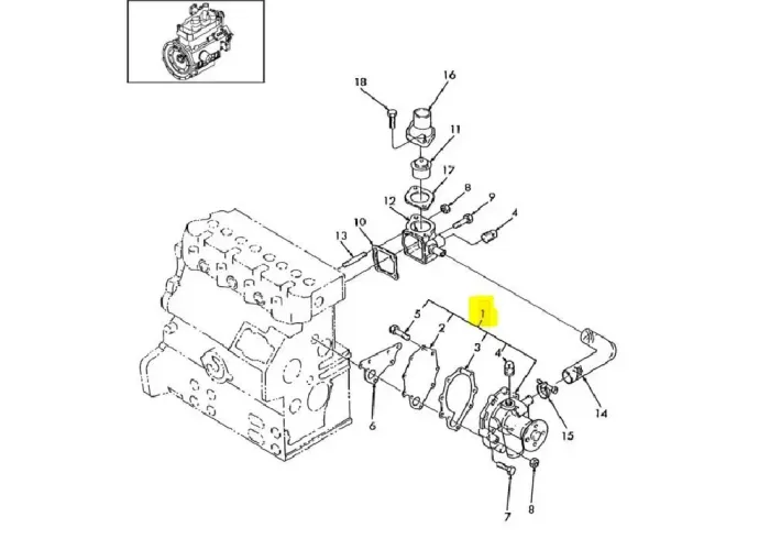
ŪDENS SŪKNIS
-
- Brand: CNH
- Product Number: SBAU45011050
- On request
- ● 01 Warehouse Riga : 0
- ● 06 Warehouse Saldus : 0
- ● 13 Warehouse Rezekne : 0
- ● 19 Warehouse Valmiera : 0
-
439.76€
- Excl.VAT: 363.44€
Alternative part
CASE: 400,Ct,S-Series NH: C100,200,L100 Series,L,Ls,Lx,S,Sl 1994-2022




